GST-QKP04氣體滅火控制器




8、線制

9、使用環境
ü工作溫度:-10℃~50℃
ü相對濕度≤95%,不凝露
10、外形尺寸:寬420mm×厚200mm×高590mm
三、海灣GST-QKP04氣體滅火控制器外形尺寸
氣體滅火控制器的外形示意圖如圖5-7所示。左邊為GST-QKP04,右邊為GST-QKP04/2。

氣體滅火控制器采用壁掛式安裝,安裝尺寸如圖5-8所示。用3個M6的膨脹螺栓將GST-QKP04固定在牢固的墻壁上,膨脹螺栓的水平間距為340mm,高度相距472mm。


其中:
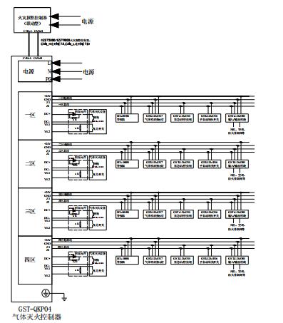
L、G、N:交流220V接線端子。
A1、B1/A2、B2:連接火災報警控制器(聯動型)的通訊總線端子。
Z1、Z2:各區的總線輸出端子,連接緊急啟/停按鈕、聲光警報器、氣體噴灑指示燈、輸出模塊、手自動轉換開關等總線設備。
+24V、GND:各區的輔助電源輸出端子,為現場的系統設備如聲光警報器、氣體噴灑指示燈和輸出模塊供電。
DC+、DC-:各區滅火氣體啟動電磁閥的驅動信號輸出端子,平時該端子間輸出電壓小于DC0.7V,啟動時輸出DC24V電壓且最大2A的信號。終端匹配電阻為4.7kΩ/0.25W。
YK1、YK2:各區氣體釋放反饋信號輸入端,應輸入動合型干觸點信號。其終端匹配電阻為4.7kΩ/0.25W。
四、海灣GST-QKP04氣體滅火控制器應用方法
氣體滅火控制器可通過本地網卡與火災報警控制器(聯動型)聯網,接線示意圖如圖5-10所示。

各區驅動鋼瓶電磁閥有源輸出的布線方式如圖5-11所示。附加元件應置于線路的末端、接近于鋼瓶電磁閥處。

氣體滅火控制器典型接線圖如圖5-12所示。

具有主備兩個鋼瓶組切換使用的氣體滅火控制器系統接線圖如圖5-13所示。通過設置1區和2區關聯、3區和4區關聯可以實現兩鋼瓶組的關聯使用――當啟動主鋼瓶組后沒有檢測到壓力開關的回答信號時氣體滅火控制器會自動啟動備用鋼瓶組。

智淼君安(江蘇)消防工程技術有限公司http://www.www.bclb.cn/
本頁關鍵詞:

蘇公網安備32058102002148號